



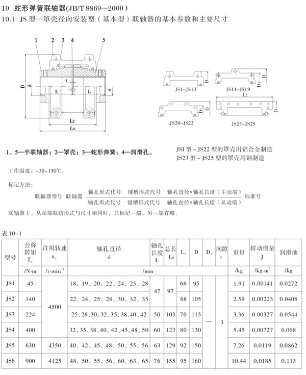
JS型蛇形彈簧聯軸器是一種結構的金屬彈性聯軸器。它以蛇形彈簧片軸向嵌入兩半聯軸器的齒槽內,來實現原動機與工作機的聯接,由于簧片的性能,從而很大程度上避免了原動機與工作機的共振現象,使用壽命遠高于非金屬彈性元件聯軸器;簧片所接觸的齒面為弧形,接觸面的大小隨傳遞扭矩的大小而變化,因而它能承受 大的載荷變動量,經測定其短時超載能力為額定扭矩的2~3倍,傳動效率達99.5%,運行 ;且蛇形彈簧聯軸器的結構簡單,裝拆方便,允許有較大的安裝偏差,適用于沖擊式的碎煤機、蛇形彈簧聯軸器碎石機、曲柄往復運動、礦山、重型機械、減速機等。