联系方式
全国服务热线:189-3852-6072
联系人:彭经理 手机:0769-85375459 传真:0769-82716881 地址:广东省东莞市长安镇格田路4号
历史记录
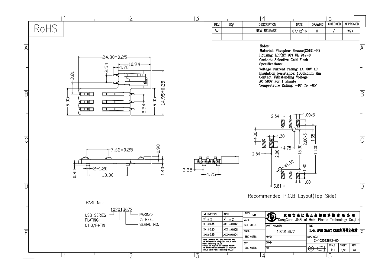
102013672-1.4H 6PIN SMART CARD左耳带定位柱
【名 称】:1.4H 6PIN SMART CARD左耳带定位柱
【料 号】:102013672
【品 牌】:jbl
【端 子】:磷铜
【塑 胶】:LCP
【使用 温度】:-40℃±85℃
【包装 方式】:吸塑盘包装/编带
【电镀 规格】:镀锡/镀镍/镀金
【其它 参数】:详见图纸规格书
【料 号】:102013672
【品 牌】:jbl
【端 子】:磷铜
【塑 胶】:LCP
【使用 温度】:-40℃±85℃
【包装 方式】:吸塑盘包装/编带
【电镀 规格】:镀锡/镀镍/镀金
【其它 参数】:详见图纸规格书
189-3852-6072
相关产品
上一条:
102414240-SMART 6+2P卡座
| 下一条:
无下一篇
